SCRS: Inserts for Plastics, Metals and Composites
FSUK-SCRS
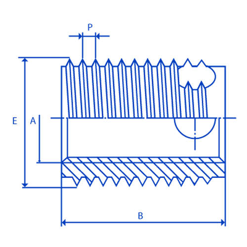
Description
The SCRS range is a Self Tapping range of inserts with internal and external threads and 3 holes to aid installation. It's designed to be installed into drilled or moulded holes generally for Thermosetting Plastics with up to 50% Glass Filled like Grivory. They are also an excellent insert to obtain a wear-free, vibration-resistant insert for Aluminium and Aluminium and Magnesium alloys. Can also be used in ThermoPlastics.
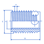
Dimensions
| thread | B | P | E | holesize | holesize 2 | downloads |
| M5-7 | 7.0 | 1.0 | 8.0 | 7.4-7.6 | 7.6-7.7 | download |
| M5-10 | 10.0 | 1.0 | 8.0 | 7.4-7.6 | 7.6-7.7 | download |
| M6-8 | 8.0 | 1.25 | 10.0 | 9.3-9.5 | 9.5-9.6 | download |
| M6-12 | 12.0 | 1.25 | 10.0 | 9.3-9.5 | 9.5-9.6 | download |
| M8-9 | 9.0 | 1.5 | 12.0 | 11.1-11.3 | 11.3-11.5 | download |
| M8-14 | 14.0 | 1.5 | 12.0 | 11.1-11.3 | 11.3-11.5 | download |
| M10-10 | 10.0 | 1.5 | 14.0 | 13.1-13.3 | 13.3-13.5 | download |
| M10-18 | 18.0 | 1.5 | 14.0 | 13.1-13.3 | 13.3-13.5 | download |
| M12-12 | 12.0 | 1.75 | 16.0 | 15.0-15.2 | 15.2-15.4 | download |
| M12-22 | 22.0 | 1.75 | 16.0 | 15.0-15.2 | 15.2-15.4 | download |
| M14-14 | 14.0 | 2.0 | 18.0 | 17.0-17.2 | 17.2-17.4 | download |
| M14-24 | 24.0 | 2.0 | 18.0 | 17.0-17.2 | 17.2-17.4 | download |
| M16-14 | 14.0 | 2.0 | 20.0 | 19.0-19.2 | 19.2-19.4 | download |
| M16-24 | 24.0 | 2.0 | 20.0 | 19.0-19.2 | 19.2-19.4 | download |
Advantages
HIGH PULL OUT RESISTANCE DEVELOPED FOR MATERIALS WITH DIFFICULT CUTTING PROPERTIES
THE INSERT HAS A THICK WALL AND THE CUTTING FORCE IS DISTRIBUTED OVER THREE CUTTING EDGES
SHORTER VERSION AVAILABLE IN ALL SIZES WHERE MINIMAL MATERIAL THICKNESSES ARE INVOLVED
GENERALLY SOLD IN HARDENED STEEL WITH A RoHS COMPLIANT ZINC AND CLEAR PASSIVATION
Comments
TO SPECIFY SIMPLY SPECIFY THE INSERT TYPE - FSUK SCRS - AND THEN THE THREAD SIZE, LENGTH AND THEN FINISH FOR EXAMPLE, A M8-14 LONG WOULD BE FSUK SCRS M8-14-Z (Z= ZINC AND CLEAR PASS). ALSO AVAILABLE IN STAINLESS. M8, M10 AND M12 CURRENTLY STOCKED BUT MOST SIZES ARE AVAILABLE. PLEASE NOTE HOLESIZE 1 FOR PLASTIC AND HOLESIZE 2 FOR METAL. PLEASE NOTE THAT THE WALL THICKNESS WOULD BE TYPICALLY MINIMUM 0.3 X E ON THE SCRS. PLEASE NOTE DEPTH ON BLIND HOLE SHOULD BE 10% MIN OF DIM B FOR PLASTICS AND 15% MIN FOR METAL
click HERE for a PDF version of this brochure page
Most sizes available from stock contact fsuk for further info.












