EXPH: Inserts for Thermo Setting Plastics

FSUK-EXPH

WP 3D Thingviewer need Javascript to work.
Please activate and reload the page.

FSUK-EXP

WP 3D Thingviewer need Javascript to work.
Please activate and reload the page.

FSUK-EXPR

WP 3D Thingviewer need Javascript to work.
Please activate and reload the page.

Description

The FSUK EXP range is designed around a diamond knurl configuration with a slot which enables the insert to expand when the mating screw is assembled. This insert is designed more for Thermosetting Plastics although can be used in some Thermoplastics. Available in a headed and reverse head; it is designed with an anti-vibration feature to stop the screw working loose after assembly. It's designed to be pressed in cold into drilled or moulded holes.

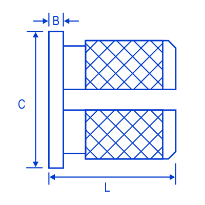
Dimensions

threadBCDLholesize(+0.1mm-0.0)wall thicknessdownloads
M20.434.83.23.93.22.4download
M2.50.515.54.04.74.03.2download
M30.515.54.04.74.03.2download
M3.50.666.44.76.34.83.6download
M40.827.15.57.95.64.0download
M50.997.96.39.46.44.8download
M61.259.57.912.68.06.0download
M81.2511.19.512.69.67.0download

Advantages

FAST AND EASY TO INSTALL

SCREW IS SECURED AUTOMATICALLY AGAINST LOOSENING

HEADED AND REVERSE HEAD AVAILABLE TO ENABLE THE INSERT TO GO ON THE BACK OF THE MOULDING

Comments

EXAMPLE DESIGNATION: FSUK EXP B M4= M4 BRASS FLUSH EXPANSION INSERT
FSUK EXPH-B-M4 M4 BRASS HEADED VERSION
FSUK EXPR B M4 M4 REVERSE TYPE EXPANSION INSERT
PLEASE NOTE HOLE SIZES APPLY TO THE POINT REACHED AT THE BOTTOM OF THE INSERT
ONLY AVAILABLE IN BRASS
MOST SIZES AVAILABLE FROM STOCK

click HERE for a PDF version of this brochure page

Most sizes available from stock contact fsuk for further info.